YT-82491
LODĒŠANAS UZGALIS AR IEBŪVĒTU SILDĪTĀJU, TIPS T12-K
Zīmols
Par šo produktu ES atbildīgā struktūra
TOYA S.A.Lasīt vairāk
Adrese:
Sołtysowicka 13-15Pasta indekss: 51-168Pilsēta: WrocławValsts: LenkijaE-pasta adrese: info@yato.pl
Sērija
Par
YT-82461, YT-82462, YT-82490
Bultas uzgaļa tips
T12
Tipa tips
K
Garums
153 mm
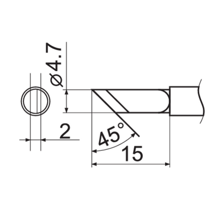
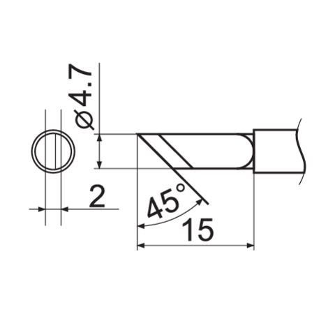
Lodēšanas uzgaļa platums
4.7 mm
Lodēšanas uzgaļa biezums
2 mm
Uzgaļa gala garums
15 mm
slāņa kausējums
45 ˚
Sildītāja pretestība
8 ± 2 Ω
Simbols
YT-82491
T12 tipa lodēšanas uzgalis ar iebūvētu sildītāju un temperatūras sensoru.
- Sildītāja pretestība: ~8 Ω
- uzgaļa tips: T12-K
Piemērots:
- YT-82461
- YT-82462
- YT-82490
Produkta pieprasījums
Uzrakstiet savu viedokli










