YT-82491
LITAVIMO ANTGALIS SU ĮSTATYTU ŠILDYTUMU, TIPO T12-K
Prekės ženklas
Už šį gaminį ES atsakingas subjektas
TOYA S.A.Skaityti daugiau
Adresas:
Sołtysowicka 13-15Pašto indeksas: 51-168Miestas: WrocławŠalis: PologneEl. pašto adresas: info@yato.pl
Serija
Už
YT-82461, YT-82462, YT-82490
Rodyklės galvutės tipas
T12
Patarimo tipas
K
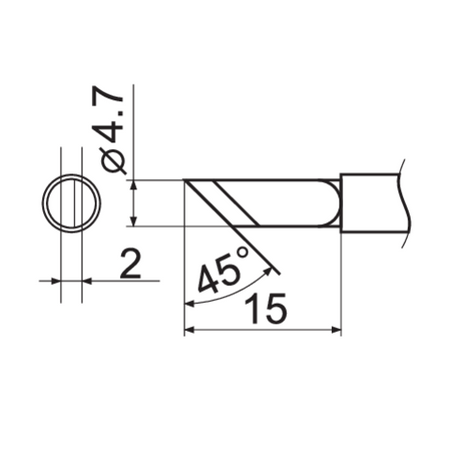
Ilgis
153 mm
Litavimo antgalio plotis
4.7 mm
Litavimo antgalio storis
2 mm
Antgalio galiuko ilgis
15 mm
Kampinis kampas
45 ˚
Šildytuvo atsparumas
8 ± 2 Ω
Simbolis
YT-82491
T12 tipo litavimo antgalis su įmontuotu šildytuvu ir temperatūros jutikliu.
- Šildytuvo varža: ~8 Ω
- antgalio tipas: T12-K
Tinka:
- YT-82461
- YT-82462
- YT-82490
Produkto užklausa
Parašykite savo nuomonę










