YT-82491
PUNTA DI SALDATURA CON RISCALDATORE INTEGRATO, TIPO T12-K
Marchio
Ente responsabile di questo prodotto nell'UE
TOYA S.A.Per saperne di più
Indirizzo:
Sołtysowicka 13-15Codice postale: 51-168Città: WrocławPaese: PolskaIndirizzo e-mail: info@yato.pl
Serie
Per
YT-82461, YT-82462, YT-82490
Tipo di freccia
T12
Tipo di punta
K
Lunghezza
153 mm
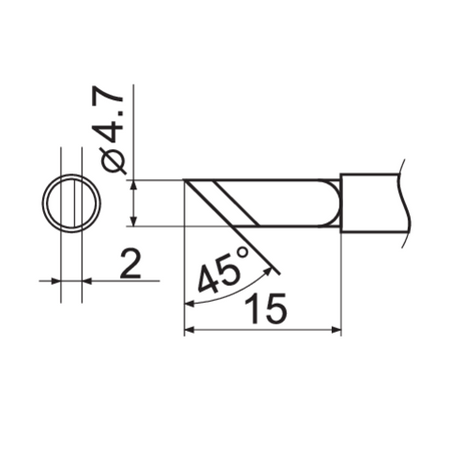
Larghezza della punta di saldatura
4.7 mm
Spessore della punta di saldatura
2 mm
Lunghezza della punta della punta
15 mm
Angolo smussato
45 ˚
Resistenza del riscaldatore
8 ± 2 Ω
Simbolo
YT-82491
Punta di saldatura di tipo T12 con riscaldatore e sensore di temperatura integrati.
- Resistenza del riscaldatore: ~8 Ω
- Tipo di punta: T12-K
Adatta a:
- YT-82461
- YT-82462
- YT-82490
Richiesta di informazioni sul prodotto
Scrivi la tua opinione










